- 产品介绍
- 产品参数
- 产品视频
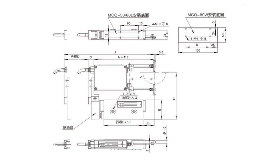
- 产品尺寸
适用预测控制的柔性系统
预测控制就是把加工中测量和加工后测量结合起来,形成闭环测量系统,控制机床的加工状态,保证不出现加工废品的控制系统。用一台控制仪在能够进行加工中和加工后测量的最小闭环系统中,可以实现一台机床的柔性控制。把各台测量仪用计算机联结起来,进一步与上位机及下位机通讯,可以实现自动线整体的一元化管理。因此就能够建成没有加工废品的极高效率的自动生产线。另外,把各种各样的传感器,进行相应的组合,对应于不同的外部对象进行检测,就可以保证整个系统不受外部的影响。
主动测量的磨加工过程
在加工过程中,测量装置随时对工件进行测量,将测量结果输入控制仪。在预先设定好的信号点,控制仪发出信号,控制机床的动作。例如:在磨加工过程中,砂轮快速前进后进入粗磨进给,当达到第一个尺寸信号点时,控制仪发出信号,机床从粗磨切换为精磨,当达到第二个尺寸信号点时,机床从精磨进给切换为光磨(无火花磨),当达到第三个信号点时,工件达到预先设定的尺寸,砂轮快速退回,并进入下一次循环的待机状态。



全部产品