- 产品介绍
- 产品参数
- 产品视频
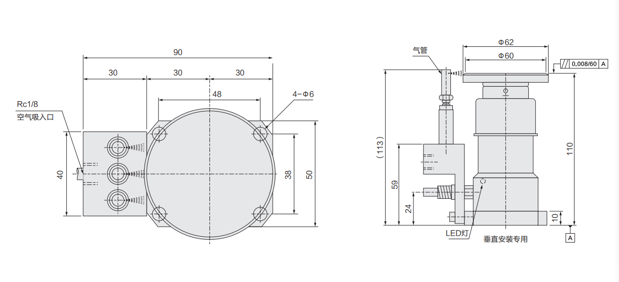
- 产品尺寸
产品特点与应用
用于数控雕铣机等机床刀具测量、磨耗、折损检测。超出行程时会发生报警信号,可预防破损事故。
---提高加工精度;
---缩短工具测量时间,提高机床运转效率;
---实现自动运转,节省人力,防止出现不合格产品。
| 参数 | 说明 |
| 行程 | 5mm |
| 产品高度 | 110mm |
| 重复精度 | 0.002mm |
| 触点寿命 | 300万次 |
| 防护等级 | IP67 |
| 对刀面材质 | 超硬合金 |
| 对刀面直径 | 60mm |
| 表面处理 | 镜面研磨4S |
| 输出模式 | B: NC 常闭(LED灯工作时亮) |
| 触点电压 | DC24V 20mA电阻负荷(特殊情况下须加负载、限电流) |


全部产品